
HOME >> PRODUCT >> Slurry Pump >> LG Series High Head Slurry Pump
| Working Range | |
| Discharge size: | 1"-6"(25-150mm) |
| Capacities to: | 1152 m3/h |
| Heads to: | 98m |
LG High Head Slurry Pump:
LG pump are designed for heavy duty applications require high head per stage at high pressures, suitable for long distance transportation or where other applications require more than one pump in series.
Typical Application:
Series LG slurry pumps are widely used in the mining, coal washing, power plant, metallurgy, petrochemical, building material, dredging, and other industrial departments, etc.,resulting in low operating cost, as well as minimized maintenance and down time.
LG Slurry Pump Structure:

Clear Water Performance:

Pump Selection Chart:

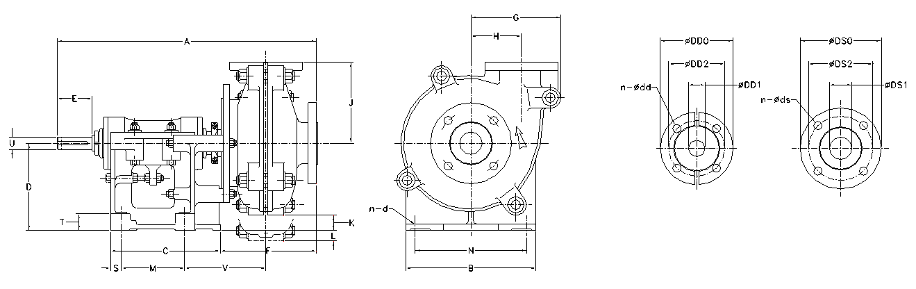
Outline Dimension:


Note:All dimensions are in millineter (mm)